
产品概述
纤云科技(AndXe)ANBR-1414TZ是一款高性能光电单发单收光模块。
ANBR-1414TZ光纤收发器件,配合850nm多模光纤使用,为工业、发电、医疗、交通和游戏应用等领域提供高性能低成本的光纤通信链路,ANBR-1414TZ在60mA电流驱动下,传输距离最小为2500米。模块与AVAGO的HFBR-1414/2412系列产品完全兼容,支持工业标准的ST光纤接口,提供带螺纹可选。
适配多种类光纤芯径的多模光纤,包括50/125um,62.5/125um,100/140μm和200um。
产品特点
型号:ANBR-1414TZ
传输速率:DC-5MBd
峰值波长:1270NM-1370NM
传输距离:850nm
光纤类型:适配多种芯径光纤
接口类型:ST螺纹接口
工作温度:-40℃~+85℃
产品特征
·数据传输速率:DC-5MBd
·传输距离最小值:2500米
·输出波形脉宽稳定
·符合RoHS标准
·适配多种芯径光
·ST接头带螺纹
·满足工业级温度范围:-40°℃至85℃
·支持输出电压最大18V
应用
·制造企业自动化
·工业网络和现场总线
·视听应用/游戏应用
·局域网 (LAN)
我们的优势
技术过硬,经验丰富
自主研发 匠心智造,可定制化需求
进口芯片 优质方案,性能稳定
全面兼容 资深人才解决技术问题
DDM数字诊断 实时监测模块状态
专项测试 实测各项性能合格达标
发射器指标
表 1—绝对最大额定值
| 参数 | 符号 | 最小值 | 最大值 | 单位 | 说明 |
| 存储温度 | Ts | -55 | +85 | ℃ | – |
| 工作温度 | Ta | -40 | +85 | ℃ | – |
| 正向直流电流 | IF | – | 100 | mA | – |
| 反向电压 | VR | – | 10 | V | T=25℃ |
| 循环铅焊温度 | – | – | 260/10 | ℃/s | – |
表 2—光电性能参数(工作温度范围-40℃~ 85℃,电源电压范围 4.75V<VCC<5.25V)
| 参数 | 符号 | 最小值 | 典型值 | 最大值 | 单位 | 说明 |
| 50/125μm光纤输出 | PT50 | -19 | -18 | -15 | dBm | IF=60mA,T=25℃ |
| -20 | -14 | |||||
| 62.5/125μm光纤输出 | PT62 | -15 | -14 | -12.5 | dBm | IF=60mA,T=25℃ |
| -16 | -12 | |||||
| 100/140μm光纤输出 | PT100 | -12 | -10 | -7 | dBm | IF=60mA,T=25℃ |
| -13 | -6 | |||||
| 200μm HCS光纤输出 | PT200 | -7 | -4 | -2 | dBm | IF=60mA,T=25℃ |
| -8 | -1 | |||||
| 输出光功率温度系数 | PT/T | -0.26 | %/℃ | |||
| 峰值辐射波长 | PK | 845 | 850 | 855 | nm | |
| 正向电压 | VF | 1.3 | 1.5 | 1.7 | V | IF=60mA |


接收器管脚
| 管脚序号 | 管脚名称 | 管脚定义 |
| 1 | NC | NC |
| 2 | VCC | 芯片电源 |
| 3 | GROUND | 芯片地 |
| 4 | NC | NC |
| 5 | NC | NC |
| 6 | VO | TTL输出端 |
| 7 | GROUND | 芯片地 |
| 8 | NC | NC |

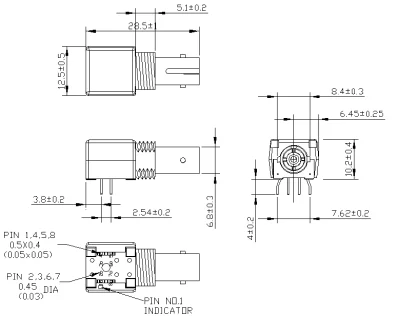
ST螺纹接口尺寸图(ANBR-1414TZ),单位:mm


功率和波长测试
测试信号发射强度和波长,确保接收机的信号解码能力,以及从发射机到接收机的波长保持一致。
流量测试
测试误码率、丢包率,使其满足相应标准,保证收发器的性能。


光学性能测试
测试收发器的眼图情况、接收灵敏度、消光比、波长、发光、收光、电流、电压等,确保信号传输的质量、稳定性和可靠性。
端面检测
检查收发器的端面并保持其清洁,以实现更稳定的数据传输、更优异的性能及更长的使用寿命。


兼容品牌:
思科 | 瞻博网络 | Arista | Brocade | HPE ProCurve | HPE Aruba | HPE BladeSystem | HPE H3C | H3C | 戴尔 | Extreme | HW | Generic | F-tone | 英特尔Netgear | IBM | NVIDIA/Mellanox(以太网)| Ciena | Fortinet | Avago | Avaya | 阿尔卡特朗讯 | D-Link | F5 | Ubiquiti | Mikrotik | Broadcom…..






